磁助電接點壓力表廣泛應用于石油、化工、冶金、電站等工業部門或機電設備配套中測量無爆炸危險的各種流體介質的壓力。通常、儀表經與相應的電氣器件(如繼電器及接觸器等)配套用,即可對被測(控)壓力系統實現自動、控制和發言(報警)的目的。為了適應被測對象的各異和需求,本系統儀表在原有普通型和專業型的基礎上,有相繼研制了抗振型、耐蝕型、耐蝕抗震型以及帶有隔離裝置等多種類型共10多種型號的產品。
1、應用
CYX-YXC 系列磁助電接點壓力表廣泛應用于石油、化工、冶金、電站等工業部門或機電設備配套中測量無爆炸危險的各種流體介質的壓力,儀表經與相應的電氣器件配套使用,可對被測壓力系統實現自動控制和發信 ( 報警 ) 的目的,有爆炸危險的場所選用防爆電接點壓力表。
2、工作原理
儀表由測量系統、指示系統、磁動電接點裝置、外殼、調整裝置和接線盒等組成。其工作原理是基于測量系統中的彈簧管在被測物質的壓力作用下,迫使彈簧管之末端產生相應的彈性變形 - 位移,借助拉桿經齒輪傳動并予放大,由固定于齒輪軸上的指示指針逐將被測值在度盤上指示出來。同時,當其與設定指針上的觸頭相接觸的瞬時,致使控制系統中的電路得以斷開或接通,以達到自動控制和發信報警的目的。
3、主要技術指標
3.1 儀表外徑 :60、100、150
3.2 指示精度 :1.6% 設定精度 :4%
3.3 接點數量 :2
3.4 最大工作電壓 :AC 380V 或 DC 220V
3.5 最大電流 :1A
3.6 觸頭功率 :10VA/30VA
3.7 連接螺紋 :M20*1.5 或約定的特殊要求
3.8 玻璃 : 安全防爆玻璃、普通玻璃
3.9 刻度盤 : 白底黑字或根據特殊要求
3.10 防護等級 :IP65
3.11 產品執行標準 :GB/T 9273-1999
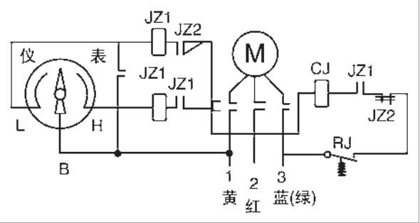
4、電氣電路連接示意圖

圖中 JZ1、JZ2- 繼電器及觸點 JR- 熱繼電器 ;M- 電機表中字母接線 L、B、H;B公共點 ( 黃 )、H 上限 ( 紅 )、L下限藍 (綠 )、表殼接地 (黑 )
5、安裝及使用
1、安裝前請仔細核對儀表型號規格及測量范圍,并確認儀表指針處于零位。
2、儀表垂直安裝,且安裝處和測量點的距離應盡量縮短。對液體介質,應盡量使儀表與測量點保持同一水平高度,否則須計入相應液柱附加誤差。
3、儀表檢定前,應將表殼上部的注油孔密封塞取下,以消除內壓影響。檢定后將該密封塞重新裝上,以免漏油。安裝后應將該密封塞上的凸起部位剪掉。
4、保持外殼清潔,用于測量氫、氧等特殊氣體介質的儀表,應嚴格脫脂禁油。
5、盤裝儀表應注意使導壓接口對準儀表接頭,軸線不重合可 能會導致損壞。
6、裝卸儀表時,應使用扳手類工具扳動接頭四方部位,而不應直接扳動表殼。
7、試機運行時,應注意緩慢開關表前閥門,避免過壓沖擊損壞儀表。
8、儀表在測量穩定壓力時,可使用至其標度范圍上限值的 1/4 ~3/4 的范圍內,在測量交就能或脈動壓力時,則應不大于其值的 1/2 為宜。對于在測量負壓時可不受此限。
9、使用中的儀表必須按相關規定進行周期檢定,并經常確認其有效狀態。